您好,欢迎光临无锡太行轨道紧固技术有限公司官网! 联系我们 |设为首页 | 加入收藏
无锡太行轨道紧固技术有限公司

更多>>

地址:江苏省无锡市惠山经济开发区堰桥工业园堰翔路58号
电话:0510-83595952
手机:15370850896
传真:0510-83595952
网址:http://www.taihangrail.com

唐氏TGL型压轨器安装说明

发布时间:2017-04-19 14:02  来源: 管理员  阅读次数:
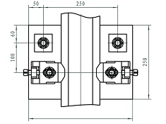
唐氏TGL型压轨器
唐氏TGL型压轨器利用左旋和右旋螺母同时作用,大大提高了吊车压轨器的防松效果,TGL型压轨器保证了吊车工作的可靠,减少了吊车轨道的维护量。TGL型压轨器底座采用三面围焊或两边侧焊与钢吊车梁上翼缘板焊接。可保证将吊车横向力平稳均匀地传递给吊车梁,并且避免了在吊车梁上翼缘大量开孔引起的削弱翼缘截面的缺陷。因此,TGL型压轨器有效地提高了吊车梁的截面强度和承载能力。采用调节螺钉调节轨距,使用较小的力矩便可调整轨距,使轨距调整变得简单、可靠。并可实现轨距微调,进一步提高了轨道安装精度。
TGL型压轨器螺栓和盖板拆装自由,对施工安装和维修都提供了极为方便的条件。盖板与钢轨断面曲率相吻合,既能压紧钢轨,又不防碍轨道沿纵向微量滑动。
TGL型压轨器选型与布置
根据工艺所提供轨道型号,TGL型压轨器选用相应的吊车压轨器型号。如表1。
TGL型压轨器布置间距可按吊车起重量而分。即Q≤275t时,间距为600mm;Q>275t,间距为500mm,见图1。所需压轨器数量可按下式求得:
Q≤275t,n=1.03×2L÷0.6
Q>275t,n=1.03×2L÷0.5
式中n为压轨器(套)数,L为单轨总长(米),0.6或0.5为间距。
TGL型压轨器螺栓性能等级为8.8级,拧紧力矩为160Nm、200Nm,承受最大侧向力为70KN。
TGL型压轨器底座与吊车梁焊接,焊条型号选用应与压轨器材质相适应。底座材质为ZG270-500,如吊车梁采用Q235及16Mn钢时分别采用E4315、E5015焊接。中级工作制吊车采用侧焊缝。重级(特重级)工作制吊车采用三面围焊缝。

 
上一篇:上一篇:TXL型压轨器说明
下一篇:下一篇:WJKC1压轨器说明